www.radiohistoria.sk
e-mail správcovi >>
Katalóg
Výrobcovia
Dokumenty
Fórum
Burza
Linky
Prihlásiť
Hľadať
Dokumenty
Katalóg
Výrobcovia
Linky
Fórum
Help a Referencie
Novinky
Radione, 440B
Tesla, 314B-2 Solospot
Flos, Vítěz 100
Tesla, K72
Nové stupnice Tesla
Palaba, Excelsior
Faukner, FA-GO
Philips, 696B
Minerva, Cornette
Mikrofona - nové stupnice
Telefunken (D), 643WK
Telefunken, 1345GWK
KNN, Titanic A3 S3
Tesla, Bellton ZGM20
Gram.závody, LE62, Supraphon
Philco, G-8010
Corona, Neznámy
Dr.Nesper, Cabinett
Loewe Opta, Komet 748W
ETA, Monoeta
Televízory Tesla Orava, 1969
Radio Melezinek, Orlík
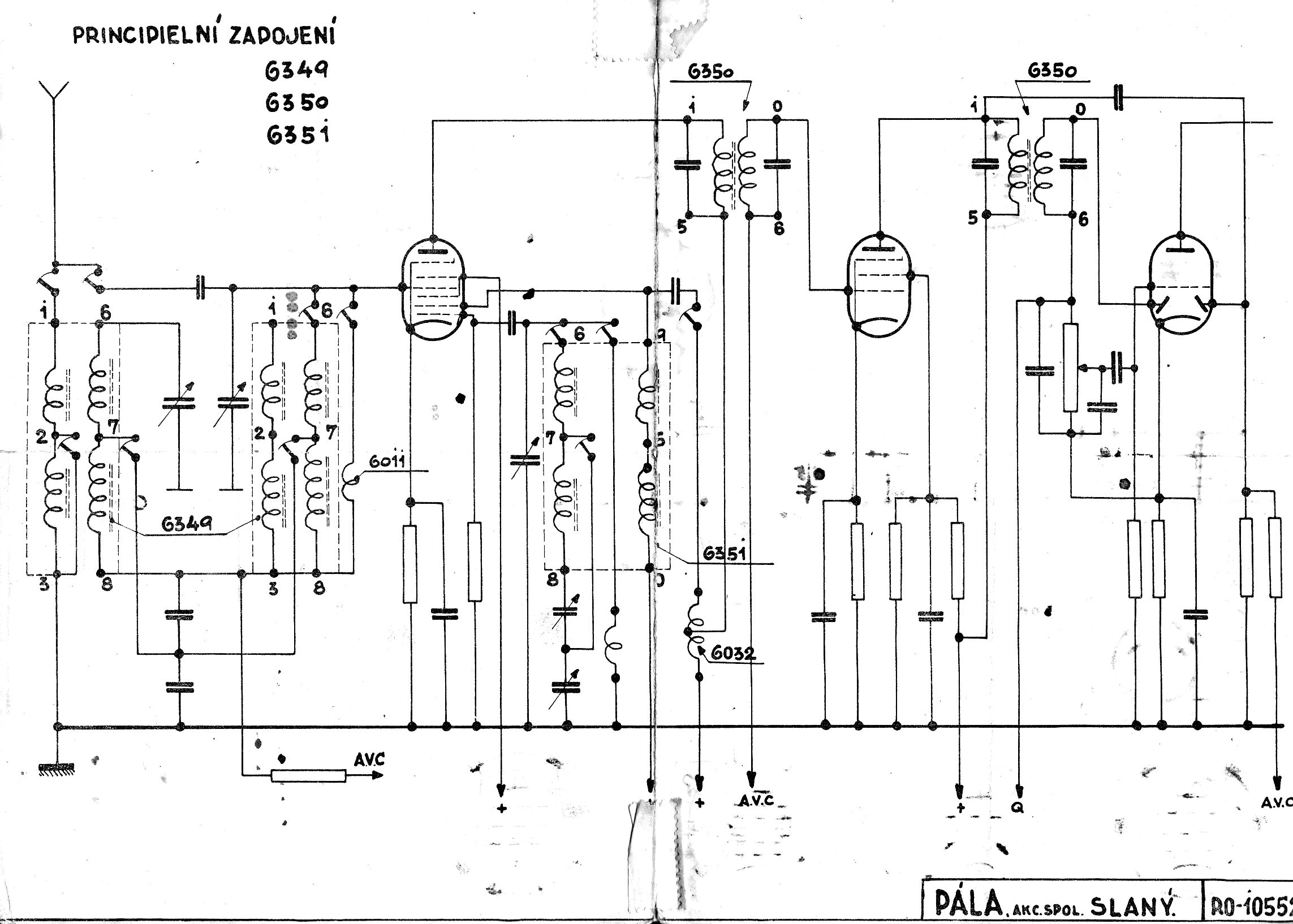
Ladenie neznámeho superhetu
Knižnica zberateľa a reštaurátora
LEN PRE PRIHLÁSENÝCH UŽÍVATEĽOV.
PalabaSchemy3738.pdf
Palaba3738nem_popis.pdf
Palaba3738nem_schemy.pdf
Palaba3738nem_zaver.pdf
Palaba42ceska.pdf
PalabaSII.pdf
PalabaSIIk-a.jpg
PalabaSIIk-b.jpg
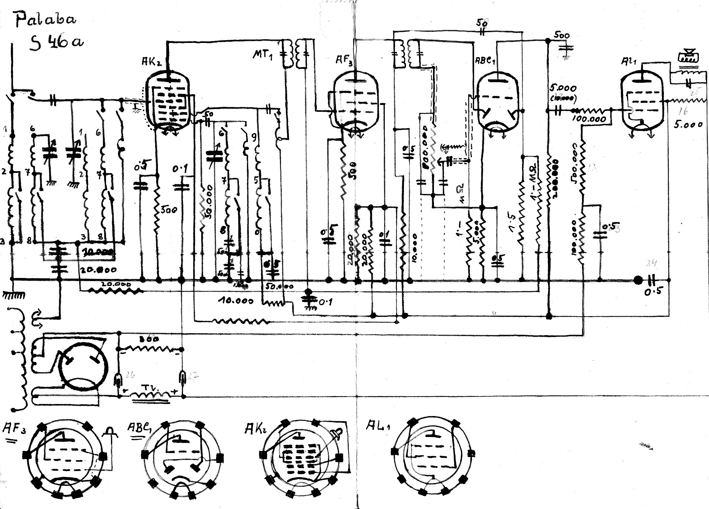
PalabaS46A.pdf
PalabaS33A.pdf
PALA_S46a_sch.jpg
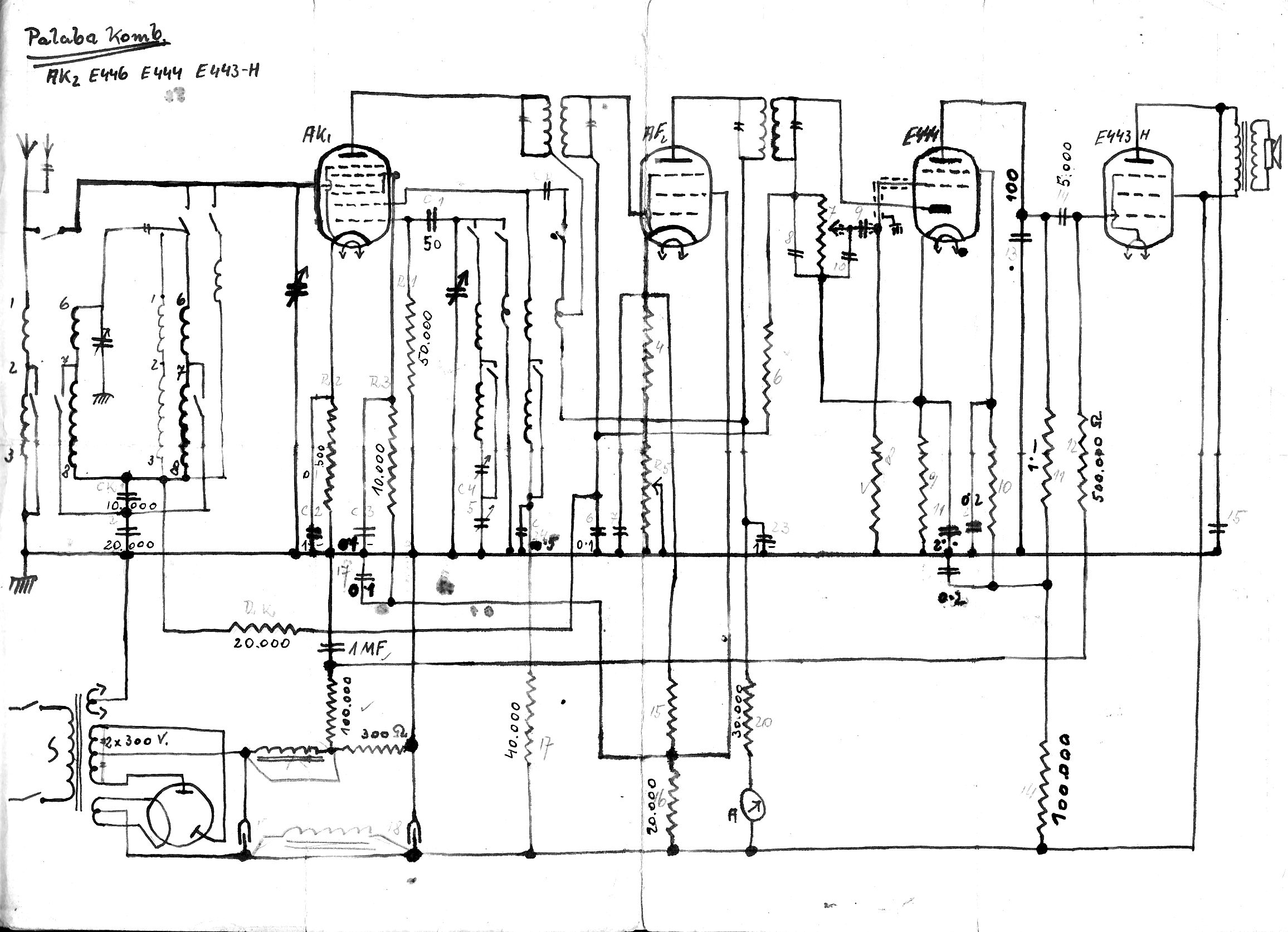
PALA_Komb_sch.jpg
PALA_neznsuperhet.jpg
PALA_neznsuperhet1.jpg